NVH-FF3AC válvula de aguja acero al carbón 10 000 psi 3/8"

NVH-FF3AC
DEWIT

nvh-ff3 ac válvula de aguja acero al carbón 10 000 psi 3/8"

FICHA TECNICA

Existencia salvo previa venta: 9
Métodos de pago y Seguridad
Su información de pago se procesa de forma segura. No almacenamos los datos de su tarjeta de crédito ni tenemos acceso a ella..
  Política de seguridad.

El sitio cuenta con certificado de seguridad SSL.

  Política de envío

Envíos a toda la República Mexicana

  Política de devolución

Nueve días hábiles después de la facturación. Se aplican restricciones*

  Pago a meses

Paga a meses mediante tu cuenta de Mercado Pago!!

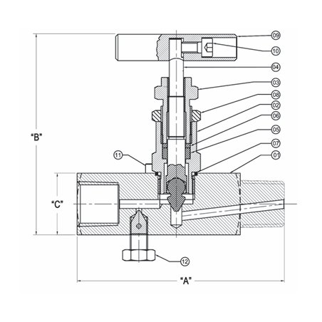
Estas válvulas están diseñadas para instalaciones seguras de manómetros, puede ser usadas para aislamiento del indicador de presión, la desinstalación segura del mismo para su revisión, reparación y/o calibración o simplemente como propósito de drenaje que lo permite su tornillo de purga.

Son válvulas que se construyen empleando barras solidas (bar stock) de Acero Inoxidable o Acero al Carbon, su componente principal es una válvula de aguja que permite una estrangulación exacta del flujo, abriendo y cerrando bajo presión, su tornillo de sangrado permite eliminar con seguridad la presión contenida entre el manómetro y la válvula principal lo que repercute en la vida útil del manómetro. En aplicaciones de gases amargos sobre pedido se seleccionan materiales de fabricación de acuerdo con los requerimientos de la Norma NACE MR-0175.

NVH-FF3AC
Este producto no tiene reseñas!

También podría gustarle